MSP-EXP430G2 firmy Texas Instruments: narzędzie za mniej niż 30 PLN
Nauka przez zabawę, to metoda edukacyjna stosowana powszechnie w przedszkolach i najmłodszych klasach szkoły podstawowej, ale jak się okazuje, nie tylko…
Zestaw prezentowany w artykule jest dostępny w sklepie dla elektroników KAMAMI.pl |
Mała, z wyglądu niepozorna płytka eksperymentalna o nazwie MSP-EXP430G2 (fotografia 1), stała się prawdziwym przebojem wśród miłośników zabawek i elektroniki. Można wręcz już mówić o prawdziwym fanklubie mikrokontrolera MSP430G2, jaki nieformalnie zawiązał się wokół użytkowników tego układu.
Fot. 1. Wygląd płytki MSP-EXP430G2
| Dodatkowe informacje o zestawie prezentowanym w artykule są dostępne pod adresem: http://www.ti.com/launchpad |
Rys. 2. Schemat elektryczny części ewaluacyjnej zestawu prezentowanego w artykule
Internet aż „przelewa się” od pomysłów zrealizowanych z wykorzystaniem płytki, której schemat elektryczny pokazano na rysunku 2. Domorośli konstruktorzy o rozpiętości wieku od szkoły podstawowej do emerytury, chwalą się swoimi pomysłami na popularnym portalu YouTube. Pełno jest tam filmików z robotami, sterownikami serwomechanizmów, akcelerometrami, termometrami, zegarami, stoperami, alarmami i wszelkiej maści licznikami impulsów – wszystkie przygotowane na zestawie prezentowanym w artykule.
Bogatą kolekcję otwierają oczywiście proste sterowniki diod świecących, stanowiących hardware’owe odpowiedniki software’owego „Hello World”, będącego absolutnie obowiązkowym elementarzem dla każdego nowicjusza w dziedzinie projektowania systemów mikroprocesorowych.
| Pod adresem www.ti.com/msp430codeexamples można znaleźć przykładowe aplikacje dla mikrokontrolerów MSP430 |
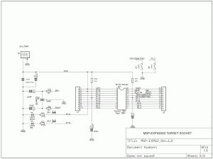
Wszystkie projekty zostały opracowane dla mikrokontrolerów MSP430 Value Line, które mogą być umieszczane w 20-nóżkowej podstawce zamontowanej na płytce eksperymentalnej MSP-EXP430G2. Na płytce umieszczono także interfejs USB do programowania pamięci Flash mikrokontrolerów MSP430 i debugowania ich pracy, którego schemat elektryczny pokazano na rysunku 3 i 4. Można go odłączyć od mikrokontrolera zamontowanego na płytce za pomocą 5 jumperów, co pozwala wykorzystać zestaw jako niezależny programator mikrokontrolerów MSP430.
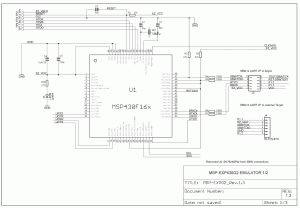
Rys. 3. Pierwsza część schematu elektrycznego programatora-debuggera zintegrowanego na płytce MSP-EXP430G2
Zestaw jest sprzedawany z idealnym do prostych aplikacji mikrokontrolerami MSP430G2231 i MSP430G2211 o 14 wyprowadzeniach. Charakteryzują się one niską ceną, ultra niskim poborem mocy (prąd zasilania w stanie aktywnym jest równy tylko 230 µA), 16-bitową wydajnością. Dużą różnorodność wymienionych wcześniej projektów uzyskano dzięki bogatym i uniwersalnym zasobom tego mikrokontrolera. Do dyspozycji konstruktora są: pamięć Flash (2 kB), pamięć RAM-u (128 B), uniwersalny interfejs szeregowy USI obsługujący tryby SPI i I2C, dwa 16-bitowe timery z dwoma rejestrami Capture/Compare, a także 10-bitowy przetwornik analogowo-cyfrowy.
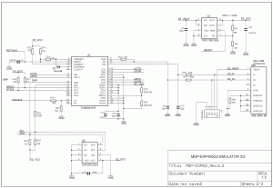
Rys. 4. Druga część schematu elektrycznego programatora-debuggera zintegrowanego na płytce MSP-EXP430G2
Zestaw z płytką MSP-EXP430G2 jest kompletnym narzędziem eksperymentalno-uruchomieniowym, w który wystarczy zainwestować niecałe 30 PLN brutto. W tej cenie, oprócz samej płytki, zawarte są dwa zaprogramowane mikrokontrolery, mikrorezonator kwarcowy, dwa 10-pinowe złącza szpilkowe i kabel USB, którym płytkę łączy się z komputerem. Oprogramowanie narzędziowe (kompilator/debuger), należy pobrać ze strony www.ti.com/launchpadwiki. Dostępne są tu dwa programy: Code Composer Studio i IAR Embedded Workbench Kickstart. Są to darmowe programistyczne środowiska uruchomieniowe, umożliwiające wygodne pisanie i debugowanie programów pisanych w języku C dla mikrokontrolerów MSP430G2.
Przykładowa aplikacja firmowa demonstruje sterowanie diodami, obsługę przycisku oraz realizację prostego termometru. Procesor mierzy własną temperaturę i w zależności od niej zmienia jasność świecenia diod LED. Wykorzystywany jest do tego przebieg PWM generowany przez mikrokontroler.
Wszystko wskazuje na to, że podstępnie uknuty przez producenta mikrokontrolerów MSP430 Value Line plan sprawdził się w 100 procentach. Zainteresowanie tymi układami rośnie lawinowo, a płytka eksperymentalna, która miała przede wszystkim promować mikrokontrolery toczy własne życie. Na pewno warto dołączyć do międzynarodowej społeczności i przedstawiać na internetowych forach własne projekty zrealizowane z użyciem płytki MSP-EXP430G2MSP. To bardzo pouczająca zabawa.





Koniec ery defiladowej. Cykl życia technologii na froncie skrócił się do kilku tygodni
Czym jest czytnik e-booków i jak działa?
O suwerenności Europy mówią gen. Sławomir Żakowski, gen. Paweł Bielawny, dr. Jacek Pawlak, Adam Cudny i dr Daniel Więzik 




