Infineon SAE800: elektroniczny gong

Układ SAE800 jest kompletnym generatorem dźwięku symulującym dźwięk elektromechanicznego gongu, zintegrowanym ze wzmacniaczem mocy. Do normalnej pracy układ potrzebuje jedynie dołączenia kilku zewnętrznych rezystorów i kondensatorów oraz głośnika. Możliwy jest wybór trybu pracy (dźwięk jedno lub wielotonowy) oraz dobieranie parametrów takich jak wysokość oraz głośność dźwięku.
|
Podstawowe cechy i parametry układu SAE800:
|
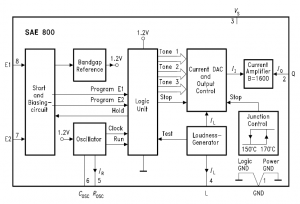
Wewnętrzną budowę układu SAE800 przedstawiono na rysunku 1. Wyprowadzenia E1 i E2 sterują wyborem rodzaju generowanego dźwięku. Zmiana poziomu napięcia na jednym z wyprowadzeń lub na obu jednocześnie inicjuje generację dźwięku gongu. Sygnały z bloku logiki sterują wytworzeniem w przetworniku C/A impulsów odpowiadających poszczególnym tonom. Impulsy po wzmocnieniu 1600 razy we wzmacniaczu prądowym podawane są na wyjście Q do którego dołącza się zewnętrzny głośnik. Częstotliwość oscylatora, który dostarcza impulsy taktujące do układów logiki oraz wpływa na wysokość generowanych dźwięków, dobierana jest zewnętrznymi elementami RC. Ponieważ wzmacniacz prądowy ma stały współczynnik wzmocnienia głośność reguluje się wpływając bezpośrednio na pracę przetwornika C/A. Do regulacji służy zewnętrzny potencjometr dołączany do wyprowadzenia L.
Rys. 1. Schemat blokowy układu SAE800
Rys. 2. Schemat elektryczny aplikacji testowej
Na rysunku 2 przedstawiono schemat elektryczny testowej aplikacji układu SAE800. Dzięki zastosowaniu prostownika B1 i kondensatora filtrującego C6 oraz stabilizatora U2 gong może być zasilany zarówno napięciem stałym jak i przemiennym o wartości od ok. 7V do ponad 20V. Przyciski S1, S2 i S3 służą do inicjacji cyklu generacji dźwięku gongu. Naciśnięcie S1 powoduje wygenerowanie pojedynczego tonu gongu. Naciśnięcie S2 wygeneruje gong o dwóch tonach. Przycisk S3 którego naciśnięcie zmienia jednocześnie stan obydwu wejść E1, E2 spowoduje wygenerowanie trójtonowego dźwięku gongu.
Rys. 3. Zależności czasowe i stosunki amplitud podczas generacji dźwięku trójtonowego
O wysokości dźwięków decydują wartości elementów C1 i R1 wpływające na częstotliwość wewnętrznego oscylatora układu SAE800. Częstotliwość można wyliczyć ze wzoru:
f = 5 / 8 * 1 / (R1 * C1) .
Elementy o wartościach podanych na schemacie ustalają częstotliwość oscylatora na ok.13.2 kHz co pozwala generować tony gongu o częstotliwościach 660Hz, 550Hz i 440Hz. Na rysunku 3 pokazano zależności czasowe i stosunki amplitud podczas generacji dźwięku gongu o trzech tonach. Na płytce demonstracyjnej (dokumentacja do pobrania poniżej) oprócz układu SAE800, obwodu zasilającego, głośnika i trzech przycisków zamontowano także potencjometr P1 do regulacji głośności.
Rys. 4. Rozmieszczenie elementów na płytce testowej
Dzięki wbudowanym zabezpieczeniom, układ SAE800 jest zabezpieczony przed przegrzaniem i uszkodzeniem na skutek zwarcia zewnętrznego głośnika.
Ryszard Szymaniak, Aries RS





Green czy smart? Jak decyzje ESG zaczynają optymalizować procesy produkcyjne
Firma Semicon ma w ofercie narzędzia do obróbki przewodów
Prof. Ryszard Tadeusiewicz: W sztucznej inteligencji „rozmyty” jest często lepszy niż „kategoryczny” 

![https://www.youtube.com/watch?v=BgxJVTwYJ-s Zapraszamy do obejrzenia filmu i wysłuchania krótkich wypowiedzi prelegentów Hardware Forum 2026 i organizatorów majowej konferencji dla inżynierów z branży elektronicznej: Konrad Bruliński z Lemontech, prof. Krzysztof Kulpa z Politechniki Warszawskiej, Zbigniew Huber z FLC, Ewa Załupska z firmy KROK, dr Krzysztof Czuba z Politechniki Warszawskiej, Anna Beata Kalisz Hedegaard z Quantum Security Defence, Grzegorz Potyralski z VIGO Photonics, Jerzy Kozieł z MPTECH, Anna Kamińska z Creotech Quantum, Adrian Cichosz z Elhurt Dystrybucja oraz Łukasz Jaeszke i Adam Jaeszke z TEK.day [materiał redakcyjny]](https://mikrokontroler.pl/wp-content/uploads/2026/05/tytulowe-film.png)



