Infineon BCR401U – liniowy zasilacz LED
Artykuł powstał we współpracy z firmami:
| Inne układy do zasilania LED małej, średniej i dużej mocy z oferty firmy Infineon opisaliśmy w artykule opublikowanym w portalu MIKROKONTROLER.pl. |
Układ BCR401U firmy Infineon jest miniaturowym, programowanym źródłem prądowym, przeznaczonym do zasilania diod LED. Jego maksymalna wydajność prądowa wynosi 65 mA, co przy maksymalnym napięciu zasilania 40 V pozwala zasilać szeregowe łańcuchy diod LED średniej mocy.
Podstawowe cechy układu BCR401U
|
Układ BCR401U jest liniowym źródłem prądowym, którego wydajność jest ustalana za pomocą pojedynczego rezystora. Domyślna wartość prądu wyjściowego wynosi 10 mA (zwiększa się ją za pomocą zewnętrznego rezystora), maksymalna moc tracona w układzie (przy zapewnieniu odpowiedniego chłodzenia) nie może przekraczać 0,75 W. Układy BCR401U mogą być łączone równolegle w celu zwiększenia stabilizowanej wartości natężenia prądu. Interesującą cechą układu BCR401U jest samoczynne ograniczanie natężenia prądu wyjściowego przy wzroście temperatury struktury układu, wartość współczynnika korekcyjnego wynosi -0,2%/K. Kolejnymi podkreślanymi przez producenta zaletami układu BCR401U są: brak emisji zakłóceń elektromagnetycznych, miniaturowa obudowa (SOT23-6/SC-74) i niska cena.
| Dodatkowe informacje o układach scalonych do zasilania LED firmy Infineon można znaleźć pod adresem: www.infineon.com/lowcostleddriver |
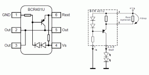
Podstawowy schemat aplikacyjny układu BCR401U i jednocześnie jego schemat blokowy pokazano na rys. 1.
Rys. 1. Budowa układu BCR401U i jego podstawowy schemat aplikacyjny
Schemat aplikacyjny prostego zestawu ewaluacyjnego, pozwalającego na przetestowanie możliwości układu BCR401U pokazano na rys. 2.
Rys. 2. Schemat elektryczny zestawu testowego
Za pomocą jumperów JP2 można zmieniać natężenie prądu zasilającego łańcuch LED (natężenie prądu wyjściowego – w zakresie od 10 do 65 mA – jest modyfikowane przez bocznikowanie wewnętrznego rezystora za pomocą jednego z rezystorów zewnętrznych: R1…R3), zworka na JP3 umożliwia zmianę liczby LED zasilanych przez testowany układ (może ich być: 1/5/7 lub 9).
Napięcie zasilające układ BCR401U powinno być dobrane w taki sposób, aby nie przekroczyć maksymalnej mocy traconej w strukturze układu, której dokładna wartość zależy od warunków chłodzenia. Przy założeniu, że są one dobre, maksymalna moc tracona w układzie nie może być większa od 750 mW, z czego wynika maksymalna wartość napięcia zasilającego:
UWEmax – maksymalne napięcie wejściowe,
ILED – prąd zasilający LED,
ULED – łączny spadek napięcia na zasilanych diodach LED.
Rys. 3. Schematy aplikacyjne BCR401U (z lewej – zasilany łańcuch LED, z prawej – zasilana pojedyncza LED)
Na rys. 3 pokazano schematy aplikacyjne układu BCR401U zasilającego łańcuch LED (lewa strona rysunku) i pojedynczą LED (prawa strona rysunku) z podstawowymi wzorami umożliwiającymi oszacowanie warunków pracy układu.








Koniec ery defiladowej. Cykl życia technologii na froncie skrócił się do kilku tygodni
Czym jest czytnik e-booków i jak działa?
O suwerenności Europy mówią gen. Sławomir Żakowski, gen. Paweł Bielawny, dr. Jacek Pawlak, Adam Cudny i dr Daniel Więzik 




